ОТГРУЗИЛИ ИЗДЕЛИЙ
с 2008 года: тонн
по чертежам тонн
по сериям и ТУ тонн
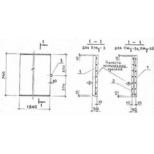
из артбетона Плита каналов доборная П14д-3 Серия 3.006.1-2.87 выпуск 2 в Балашихе
![]() У нас можно заказать изготовление по чертежам любых ЖБИ Сэкономьте время на поиск - сразу звоните нам!
Доставка по Балашихе и любым городам России. Цена от 10000 рублей за 1 м3 ( от 5 руб за кг). Производство ЖБИ
Консультация эксперта
Сергеев Александр Вячеславович - Эксперт с 25-летним стажем в сфере производства ЖБИ и изделий из бетона.
Плита каналов доборная П14д-3 Серия 3.006.1-2.87 выпуск 2 в Балашихе в наличии и под заказ по цене от 10 т.р. за м3. У нас можно купить ЖБИ «Плита каналов доборная П14д-3 Серия 3.006.1-2.87 выпуск 2 в Балашихе» с доставкой в любой город, а также любые ЖБИ изделия.
Нам доверяют:
|

+7 921 375-40-71

